OUR Products
The company has established production bases in Shandong and Guangdong, where it conducts research and development and production of current and temperature protection devices.
Feature:
◉ Size 0.12*0.06 inch /3.2* 1.6 mm
◉ RoHS compliant, lead-free and halogen-free
◉ Fast response to fault current
◉ Compatible with high temperature solders
◉ Low resistance
◉ Low profile
Applications:
◉ Computer / Mobile phones / Multimedia / Broadband
◉ Automotive / Industrial controls / Telephony
◉ Game machines / Portable electronics / Battery
Electrical Characteristics(25℃)
Part Number | Ihold | Itrip | Vmax | Imax | Pd typ | Time to trip | Rmin | R1max | |
(A) | (A) | (Vdc) | (A) | (W) | (A) | (Sec) | (Ω) | (Ω) | |
GSMD1206-005-30V | 0.05 | 0.15 | 30 | 40 | 0.4 | 0.25 | 1.50 | 3.60 | 50.0 |
GSMD1206-005-60V | 0.05 | 0.15 | 60 | 40 | 0.4 | 0.25 | 1.50 | 3.60 | 50.0 |
GSMD1206-010-30V | 0.10 | 0.25 | 30 | 40 | 0.4 | 0.50 | 1.00 | 1.60 | 15.0 |
GSMD1206-010-60V | 0.10 | 0.25 | 60 | 40 | 0.4 | 0.50 | 1.00 | 1.60 | 15.0 |
GSMD1206-012-60V | 0. 12 | 0.29 | 60 | 40 | 0.4 | 0.50 | 1.00 | 1.60 | 13.0 |
GSMD1206-016-33V | 0.16 | 0.37 | 33 | 40 | 0.4 | 1.00 | 0.30 | 1.00 | 6.00 |
GSMD1206-020-24V | 0.20 | 0.46 | 24 | 40 | 0.6 | 8.00 | 0.10 | 0.35 | 2.70 |
GSMD1206-020-30V | 0.20 | 0.46 | 30 | 40 | 0.6 | 8.00 | 0.10 | 0.35 | 2.70 |
GSMD1206-020-33V | 0.20 | 0.46 | 33 | 40 | 0.6 | 8.00 | 0.10 | 0.35 | 2.70 |
GSMD1206-025-16V | 0.25 | 0.50 | 16 | 40 | 0.6 | 8.00 | 0.10 | 0.35 | 2.50 |
GSMD1206-025-24V | 0.25 | 0.50 | 24 | 40 | 0.6 | 8.00 | 0.10 | 0.35 | 2.50 |
GSMD1206-025-30V | 0.25 | 0.50 | 30 | 40 | 0.6 | 8.00 | 0.10 | 0.35 | 2.50 |
GSMD1206-025-33V | 0.25 | 0.50 | 33 | 40 | 0.6 | 8.00 | 0.10 | 0.35 | 2.50 |
GSMD1206-035-6V | 0.35 | 0.75 | 6 | 40 | 0.6 | 8.00 | 0.10 | 0.25 | 1.50 |
Part Number | Ihold | Itrip | Vmax | Imax | Pd typ | Time to trip | Rmin | R1max | |
(A) | (A) | (Vdc) | (A) | (W) | (A) | (Sec) | (Ω) | (Ω) | |
GSMD1206-035-16V | 0.35 | 0.75 | 16 | 40 | 0.6 | 8.00 | 0.10 | 0.25 | 1.50 |
GSMD1206-035-30V | 0.35 | 0.75 | 30 | 40 | 0.6 | 8.00 | 0.10 | 0.25 | 1.50 |
GSMD1206-035-33V | 0.35 | 0.75 | 33 | 40 | 0.6 | 8.00 | 0.10 | 0.25 | 1.50 |
GSMD1206-050-6V | 0.50 | 1.00 | 6 | 100 | 0.6 | 8.00 | 0.10 | 0.15 | 0.70 |
GSMD1206-050-13.2V | 0.50 | 1.00 | 13.2 | 100 | 0.6 | 8.00 | 0.10 | 0.15 | 0.70 |
GSMD1206-050-16V | 0.50 | 1.00 | 16 | 100 | 0.6 | 8.00 | 0.10 | 0.15 | 0.70 |
GSMD1206-050-24V | 0.50 | 1.00 | 24 | 40 | 0.6 | 8.00 | 0.10 | 0.15 | 0.70 |
GSMD1206-050-30V | 0.50 | 1.00 | 30 | 40 | 0.6 | 8.00 | 0.10 | 0.15 | 0.70 |
GSMD1206-075-6V | 0.75 | 1.50 | 6 | 100 | 0.6 | 8.00 | 0.20 | 0.09 | 0.50 |
GSMD1206-075-13.2V | 0.75 | 1.50 | 13.2 | 100 | 0.6 | 8.00 | 0.20 | 0.09 | 0.50 |
GSMD1206-075-16V | 0.75 | 1.50 | 16 | 100 | 0.6 | 8.00 | 0.20 | 0.09 | 0.50 |
GSMD1206-075-24V | 0.75 | 1.50 | 24 | 40 | 0.6 | 8.00 | 0.20 | 0.09 | 0.50 |
GSMD1206-075-30V | 0.75 | 1.50 | 30 | 40 | 0.6 | 8.00 | 0.20 | 0.09 | 0.50 |
GSMD1206-100-6V | 1.00 | 1.80 | 6 | 100 | 0.6 | 8.00 | 0.30 | 0.05 | 0.27 |
GSMD1206-100-13.2V | 1.00 | 1.80 | 13.2 | 100 | 0.6 | 8.00 | 0.30 | 0.05 | 0.27 |
GSMD1206-100-16V | 1.00 | 1.80 | 16 | 100 | 0.6 | 8.00 | 0.30 | 0.05 | 0.27 |
GSMD1206-100-24V | 1.00 | 1.80 | 24 | 40 | 0.6 | 8.00 | 0.30 | 0.05 | 0.27 |
GSMD1206-110-6V | 1.10 | 2.20 | 6 | 100 | 0.6 | 8.00 | 0.30 | 0.04 | 0.25 |
GSMD1206-110-13.2V | 1.10 | 2.20 | 13.2 | 100 | 0.6 | 8.00 | 0.30 | 0.04 | 0.25 |
GSMD1206-110-16V | 1.10 | 2.20 | 16 | 100 | 0.6 | 8.00 | 0.30 | 0.04 | 0.25 |
GSMD1206-110-24V | 1.10 | 2.20 | 24 | 40 | 0.6 | 8.00 | 0.30 | 0.04 | 0.25 |
GSMD1206-150-6V | 1.50 | 3.00 | 6 | 100 | 0.8 | 8.00 | 0.30 | 0.025 | 0.130 |
GSMD1206-150-8V | 1.50 | 3.00 | 8 | 100 | 0.8 | 8.00 | 0.30 | 0.025 | 0.130 |
GSMD1206-150-13.2V | 1.50 | 3.00 | 13.2 | 40 | 0.8 | 8.00 | 0.30 | 0.025 | 0.130 |
GSMD1206-150-16V | 1.50 | 3.00 | 16 | 40 | 0.8 | 8.00 | 0.30 | 0.025 | 0.130 |
GSMD1206-200-6V | 2.00 | 3.50 | 6 | 100 | 0.8 | 8.00 | 1.50 | 0.015 | 0.080 |
GSMD1206-200-12V | 2.00 | 3.50 | 12 | 100 | 0.8 | 8.00 | 1.50 | 0.015 | 0.080 |
GSMD1206-200-16V | 2.00 | 3.50 | 16 | 40 | 0.8 | 8.00 | 1.50 | 0.015 | 0.080 |
GSMD1206-260-6V | 2.60 | 5.20 | 6 | 100 | 0.8 | 8.00 | 2.00 | 0.010 | 0.060 |
GSMD1206-300-6V | 3.00 | 6.00 | 6 | 100 | 1.0 | 8.00 | 4.00 | 0.010 | 0.050 |
GSMD1206-300-12V | 3.00 | 6.00 | 12 | 100 | 1.0 | 8.00 | 4.00 | 0.010 | 0.050 |
Notes :
Ihold = Hold current: maximum current device will pass without tripping in 25℃ still air.
Itrip = Trip current: minimum current at which the device will trip in 25℃ still air.
Vmax = Maximum voltage device can withstand without damage at rated current (Imax).
Imax = Maximum fault current device can withstand without damage at rated voltage (Vmax).
Pd typ. = Typical power dissipated from device when in the tripped state at 25℃ still air.
Rmin = Minimum resistance of device in initial (un-soldered) state.
R1max = Maximum resistance of device at 25℃ measured one hour after tripping or reflow soldering of 260℃ for 20 sec.
Caution : Operation beyond the specified ratings may result in damage and possible arcing and flame.
Thermal Deg Curve
![]()
Typical Time-to-Trip At 25℃
![]()
Thermal Derating Chart
Recommended Hold Current (A) at Ambient Temperature (℃)
Part Number | Ambient operating temperature hold current(Ihold) | ||||||||
-40℃ | -20℃ | 0℃ | 25℃ | 40℃ | 50℃ | 60℃ | 70℃ | 85℃ | |
GSMD1206-005 | 0.074 | 0.066 | 0.056 | 0.050 | 0.042 | 0.037 | 0.035 | 0.030 | 0.027 |
GSMD1206-010 | 0.148 | 0.132 | 0.116 | 0.100 | 0.085 | 0.075 | 0.070 | 0.060 | 0.055 |
GSMD1206-012 | 0.18 | 0.16 | 0. 14 | 0. 12 | 0.10 | 0.09 | 0.08 | 0.07 | 0.06 |
GSMD1206-016 | 0.24 | 0.21 | 0.18 | 0.16 | 0. 14 | 0.13 | 0. 12 | 0. 11 | 0.10 |
GSMD1206-020 | 0.30 | 0.26 | 0.23 | 0.20 | 0.17 | 0.15 | 0. 14 | 0. 12 | 0. 11 |
GSMD1206-025 | 0.37 | 0.33 | 0.29 | 0.25 | 0.22 | 0.20 | 0.17 | 0.15 | 0. 12 |
GSMD1206-035 | 0.50 | 0.45 | 0.40 | 0.35 | 0.30 | 0.27 | 0.24 | 0.21 | 0.15 |
GSMD1206-050 | 0.71 | 0.64 | 0.57 | 0.50 | 0.42 | 0.39 | 0.35 | 0.31 | 0.25 |
GSMD1206-075 | 1. 14 | 1.01 | 0.88 | 0.75 | 0.65 | 0.59 | 0.54 | 0.49 | 0.41 |
GSMD1206-100 | 1.45 | 1.31 | 1.15 | 1.00 | 0.84 | 0.77 | 0.69 | 0.61 | 0.48 |
GSMD1206-110 | 1.60 | 1.45 | 1.30 | 1.10 | 0.95 | 0.80 | 0.72 | 0.66 | 0.55 |
GSMD1206-150 | 2.18 | 1.94 | 1.72 | 1.50 | 1.28 | 1.17 | 1.06 | 0.96 | 0.77 |
GSMD1206-200 | 2.88 | 2.63 | 2.34 | 2.00 | 1.74 | 1.58 | 1.42 | 1.17 | 0.93 |
GSMD1206-260 | 3.43 | 3.22 | 2.93 | 2.60 | 2.23 | 2.03 | 1.87 | 1.57 | 1.35 |
GSMD1206-300 | 4.05 | 3.66 | 3.36 | 3.00 | 2.50 | 2.28 | 2.00 | 1.62 | 1.38 |
Soldering Parameters
![]()
Profile Feature | Pb-Free Assembly |
Average Ramp-Up Rate(Tsmax to Tp) | 3℃/second max |
Preheat -Temperature Min(Tsmin) -Temperature Max(Tsmax) -Time(Tsmin to Tsmax) | 150℃ 200℃ 60~ 180 seconds |
Time maintained above: -Temperature(TL) -Time(tL) |
217℃ 60~ 150 seconds |
Peak Temperature(Tp) | 260℃ |
Ramp-Down Rate | 6℃/second max |
Time 25℃ to Peak Temperature | 8 minutes max |
Storage Condition | 0℃~30℃,30%-60%RH |
◉ Recommended reflow methods: IR, vapor phase oven, hot air oven, N2 environment for lead-free;
◉ Recommended maximum paste thickness is 0.25mm;
◉ Devices can be cleaned using standard industry methods and solvents;
Note 1: All temperature refer to topside of the package, measured on the package body surface;
Note 2: If reflow temperatures exceed the recommended profile, devices may not meet the performance requirements.
Physical Dimensions (mm)
![]()
Part Number | Marking | Quantity | A | B | C | D | E | |||
Min | Max | Min | Max | Min | Max | Min | Min | |||
GSMD1206-005-30V | BZ | 3500 | 3.00 | 3.60 | 1.50 | 1.90 | 0.60 | 1.20 | 0.15 | 0.10 |
GSMD1206-005-60V | BZ | 3500 | 3.00 | 3.60 | 1.50 | 1.90 | 0.60 | 1.20 | 0.15 | 0.10 |
GSMD1206-010-30V | BN | 3500 | 3.00 | 3.60 | 1.50 | 1.90 | 0.60 | 1.20 | 0.15 | 0.10 |
GSMD1206-010-60V | BN | 3500 | 3.00 | 3.60 | 1.50 | 1.90 | 0.60 | 1.20 | 0.15 | 0.10 |
GSMD1206-012-60V | BN | 3500 | 3.00 | 3.60 | 1.50 | 1.90 | 0.60 | 1.20 | 0.15 | 0.10 |
GSMD1206-016-33V | BO | 3500 | 3.00 | 3.60 | 1.50 | 1.90 | 0.60 | 1.20 | 0.15 | 0.10 |
GSMD1206-020-24V | BA | 3500 | 3.00 | 3.60 | 1.50 | 1.90 | 0.40 | 1.00 | 0.15 | 0.10 |
GSMD1206-020-30V | BA | 3500 | 3.00 | 3.60 | 1.50 | 1.90 | 0.40 | 1.00 | 0.15 | 0.10 |
GSMD1206-020-48V | BA | 3500 | 3.00 | 3.60 | 1.50 | 1.90 | 0.40 | 1.00 | 0.15 | 0.10 |
GSMD1206-025-16V | BA | 3500 | 3.00 | 3.60 | 1.50 | 1.90 | 0.40 | 1.00 | 0.15 | 0.10 |
GSMD1206-025-24V | BA | 3500 | 3.00 | 3.60 | 1.50 | 1.90 | 0.40 | 1.00 | 0.15 | 0.10 |
GSMD1206-025-33V | BA | 3500 | 3.00 | 3.60 | 1.50 | 1.90 | 0.40 | 1.00 | 0.15 | 0.10 |
GSMD1206-025-48V | BA | 3500 | 3.00 | 3.60 | 1.50 | 1.90 | 0.40 | 1.00 | 0.15 | 0.10 |
GSMD1206-030-30V | BB | 3500 | 3.00 | 3.60 | 1.50 | 1.90 | 0.40 | 1.00 | 0.15 | 0.10 |
GSMD1206-035-6V | BB | 3500 | 3.00 | 3.60 | 1.50 | 1.90 | 0.40 | 1.00 | 0.15 | 0.10 |
GSMD1206-035-16V | BB | 3500 | 3.00 | 3.60 | 1.50 | 1.90 | 0.40 | 1.00 | 0.15 | 0.10 |
GSMD1206-035-24V | BB | 3500 | 3.00 | 3.60 | 1.50 | 1.90 | 0.40 | 1.00 | 0.15 | 0.10 |
GSMD1206-035-30V | BB | 3500 | 3.00 | 3.60 | 1.50 | 1.90 | 0.40 | 1.00 | 0.15 | 0.10 |
GSMD1206-050-6V | BF | 3500 | 3.00 | 3.60 | 1.50 | 1.90 | 0.40 | 1.00 | 0.15 | 0.10 |
Part Number | Marking | Quantity | A | B | C | D | E | |||
Min | Max | Min | Max | Min | Max | Min | Min | |||
GSMD1206-005-30V | BZ | 3500 | 3.00 | 3.60 | 1.50 | 1.90 | 0.60 | 1.20 | 0.15 | 0.10 |
GSMD1206-005-60V | BZ | 3500 | 3.00 | 3.60 | 1.50 | 1.90 | 0.60 | 1.20 | 0.15 | 0.10 |
GSMD1206-010-30V | BN | 3500 | 3.00 | 3.60 | 1.50 | 1.90 | 0.60 | 1.20 | 0.15 | 0.10 |
GSMD1206-010-60V | BN | 3500 | 3.00 | 3.60 | 1.50 | 1.90 | 0.60 | 1.20 | 0.15 | 0.10 |
GSMD1206-012-60V | BN | 3500 | 3.00 | 3.60 | 1.50 | 1.90 | 0.60 | 1.20 | 0.15 | 0.10 |
GSMD1206-016-33V | BO | 3500 | 3.00 | 3.60 | 1.50 | 1.90 | 0.60 | 1.20 | 0.15 | 0.10 |
GSMD1206-020-24V | BA | 3500 | 3.00 | 3.60 | 1.50 | 1.90 | 0.40 | 1.00 | 0.15 | 0.10 |
GSMD1206-020-30V | BA | 3500 | 3.00 | 3.60 | 1.50 | 1.90 | 0.40 | 1.00 | 0.15 | 0.10 |
GSMD1206-020-48V | BA | 3500 | 3.00 | 3.60 | 1.50 | 1.90 | 0.40 | 1.00 | 0.15 | 0.10 |
GSMD1206-025-16V | BA | 3500 | 3.00 | 3.60 | 1.50 | 1.90 | 0.40 | 1.00 | 0.15 | 0.10 |
GSMD1206-025-24V | BA | 3500 | 3.00 | 3.60 | 1.50 | 1.90 | 0.40 | 1.00 | 0.15 | 0.10 |
GSMD1206-025-33V | BA | 3500 | 3.00 | 3.60 | 1.50 | 1.90 | 0.40 | 1.00 | 0.15 | 0.10 |
GSMD1206-025-48V | BA | 3500 | 3.00 | 3.60 | 1.50 | 1.90 | 0.40 | 1.00 | 0.15 | 0.10 |
GSMD1206-030-30V | BB | 3500 | 3.00 | 3.60 | 1.50 | 1.90 | 0.40 | 1.00 | 0.15 | 0.10 |
GSMD1206-035-6V | BB | 3500 | 3.00 | 3.60 | 1.50 | 1.90 | 0.40 | 1.00 | 0.15 | 0.10 |
GSMD1206-035-16V | BB | 3500 | 3.00 | 3.60 | 1.50 | 1.90 | 0.40 | 1.00 | 0.15 | 0.10 |
GSMD1206-035-24V | BB | 3500 | 3.00 | 3.60 | 1.50 | 1.90 | 0.40 | 1.00 | 0.15 | 0.10 |
GSMD1206-035-30V | BB | 3500 | 3.00 | 3.60 | 1.50 | 1.90 | 0.40 | 1.00 | 0.15 | 0.10 |
GSMD1206-050-6V | BF | 3500 | 3.00 | 3.60 | 1.50 | 1.90 | 0.40 | 1.00 | 0.15 | 0.10 |
Environmental Specifications
Test | Conditions | Resistance change |
Passive aging 被動老化 | +85°C, 1000 hrs. | ±5% typical |
Humidity aging 溫度老化 | +85°C, 85% R.H. , 168 hours | ±5% typical |
Thermal shock 冷熱衝擊 | +85°C to -40°C, 20 times | ±33% typical |
Resistance to solvent 抗溶劑 | MIL-STD-202,Method 215 | No change |
Vibration 振動 | MIL-STD-202,Method 201 | No change |
Ambient operating conditions : - 40 °C to +85 °C
Maximum surface temperature of the device in the tripped state is 125 °C
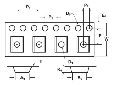
Tape And Reel Specifications (mm)
![]()
Governing Specifications 料帶規格 | GSMD1206-005-30V~ GSMD1206-050-16V | GSMD1206-050-24V~ GSMD1206-075-33V | GSMD1206-100-6V~ GSMD1206-350-6V |
W | 8.0 ± 0.3 | 8.0 ± 0.3 | 8.0 ± 0.3 |
F | 3.5 ± 0.05 | 3.5 ± 0.05 | 3.5 ± 0.05 |
E1 | 1.75 ± 0.1 | 1.75 ± 0.1 | 1.75 ± 0.1 |
D0 | 1.55 ± 0.05 | 1.55 ± 0.05 | 1.55 ± 0.05 |
D1 | 1.0 ± 0.1 | 1.0 ± 0.1 | 1.0 ± 0.1 |
P0 | 4.0 ± 0.1 | 4.0 ± 0.1 | 4.0 ± 0.1 |
P1 | 4.0 ± 0.1 | 4.0 ± 0.1 | 4.0 ± 0.1 |
P2 | 2.0 ± 0.05 | 2.0 ± 0.05 | 2.0 ± 0.05 |
A0 | 1.95 ± 0.1 | 1.95 ± 0.1 | 1.95 ± 0.1 |
B0 | 3.65 ± 0.1 | 3.65 ± 0.1 | 3.65 ± 0.1 |
T | 0.2 ± 0.1 | 0.2 ± 0.1 | 0.2 ± 0.1 |
K0 | 0.74 ± 0.1 | 1.04 ± 0.1 | 1.35 ± 0.1 |
Leader min | 390 | 390 | 390 |
Trailer min | 160 | 160 | 160 |
Reel Dimensions
C | φ178 ± 1.0 |
D | φ60.2 ± 0.5 |
H | 11.0 ± 0.5 |
W | 9.0 ± 1.5 |
![]()
Part Number System
![]()
Cautions for SMD PTC Use:
1. PTC Device is a resettable overcurrent circuit protection device used to protect against overcurrent faults in electronic circuits. It cannot be used as a switch, and multiple times tripping will reduce the PTC hold current.
2. The PTC is a thermally sensitive device with a positive temperature coefficient which means that the resistance increases with increasing temperature. It is recommended to keep away from heat source devices when designing to minimize the influence of external heat sources.
3. This product should not be used in an application where the maximum voltage or maximum current can be exceeded in a fault condition. Operation beyond the maximum ratings or improper use may result in device damage and possible electrical arcing and flame.
4. Hold current at all temperature specified in the specification is the conventional performance of PTC obtained by one reflow soldering. It can hold 1 hour under the current conditions corresponding to different temperatures. This current is not the condition of long-term charging or discharging current for this type of PTC.
5. The resistance and other electrical parameters indicated in the specification are all based on the test results of the manufacturer's designated test board by one reflow soldering. If there is any further heat generated process like multiple soldering, injection molding, dispensing, the product parameters will decrease at certain degree. Therefore the verification test to be conducted is necessary.
6. SMD PTC is designed for the SMT process which applies reflow soldering. For reflow soldering, please refer to the recommended curve diagram. If the recommended value is exceeded, the internal resistance of PTC may increase. Hand soldering is not recommended and heat gun is not allowed to use during the circuit boards rework. If there is soldering iron welding process, it is recommended that the welding position should be more than 1.5mm away from PTC, the welding temperature should be lower than 350℃, and the contact time with the solder joint should not exceed 3 seconds.
7. When mounting or using PTC, all injection molding materials, curing adhesives, UV glue, silica gel and cleaning agents or solvents must be tested in terms of application parameters e.g. temperature, time, and etc to ensure the consistency between the product and the processing before use.
8. When mounting or using PTC, it is not recommended to use circuit board washer water or other cleaning agent. If cleaning is required, it is necessary to verify the applicability of various cleaning agents, washboard water and solvents, and confirm that they will not affect the PTC performance. The known chemicals that impacts PTC include but not limited to ethers, benzene homolog, ketones, lipids and derivatives that is of strong solubleness and ruinous. Please place the product in open environment for at least 24 hours to volatilize solvents residuals.
9. When PTC is welded to the PCB in product application, if injection or gluing is needed, it should be completed in as short a time as possible. If the time slot between mounting and injection or gluing surpasses 1 month, please keep in airtight environment to avoid long air exposure.
10. In charging terminal application, PP type material is recommended to use as inner membrane and TPE and PVC type material is inhibited.
11. SMD PTC humidity sensitivity grade 2, for sealed packaging. If customers find damaged packaging in stock, they should isolate the product immediately. If there is any surplus material, they needs to be restored to the previous packaging state and do sealed storage.